Curasan
Líderes mundiales en regeneración ósea y tisular
Curasan desarrolla, fabrica y distribuye biomateriales para la regeneración ósea y tisular. Sus tecnologías, ampliamente probadas, han establecido estándares de referencia tanto en odontología como en cirugía ortopédica, traumatológica y de columna a nivel mundial.

Soluciones Avanzadas en Regeneración Ósea y Tisular para la Odontología
Con las soluciones de biomateriales dentales de Curasan, los profesionales del sector confían en uno de los equipos de investigación y desarrollo más destacados de la industria. Bajo la marca paraguas CERASORB®, se ha consolidado y ampliado una completa gama de productos para la regeneración ósea y tisular.
OSBONE® y OSGIDE® complementan el portafolio dental, centrado principalmente en materiales no orgánicos para la regeneración de hueso y tejidos. La variedad de formatos disponibles —desde gránulos y pastas hasta esponjas de colágeno moldeables— ofrece a cirujanos e implantólogos la máxima flexibilidad en sus procedimientos clínicos.
Productos destacados
Curasan ofrece soluciones avanzadas en biomateriales dentales que marcan referencia en regeneración ósea y tisular, brindando a los especialistas máxima flexibilidad y confiabilidad clínica.
CERASORB® M
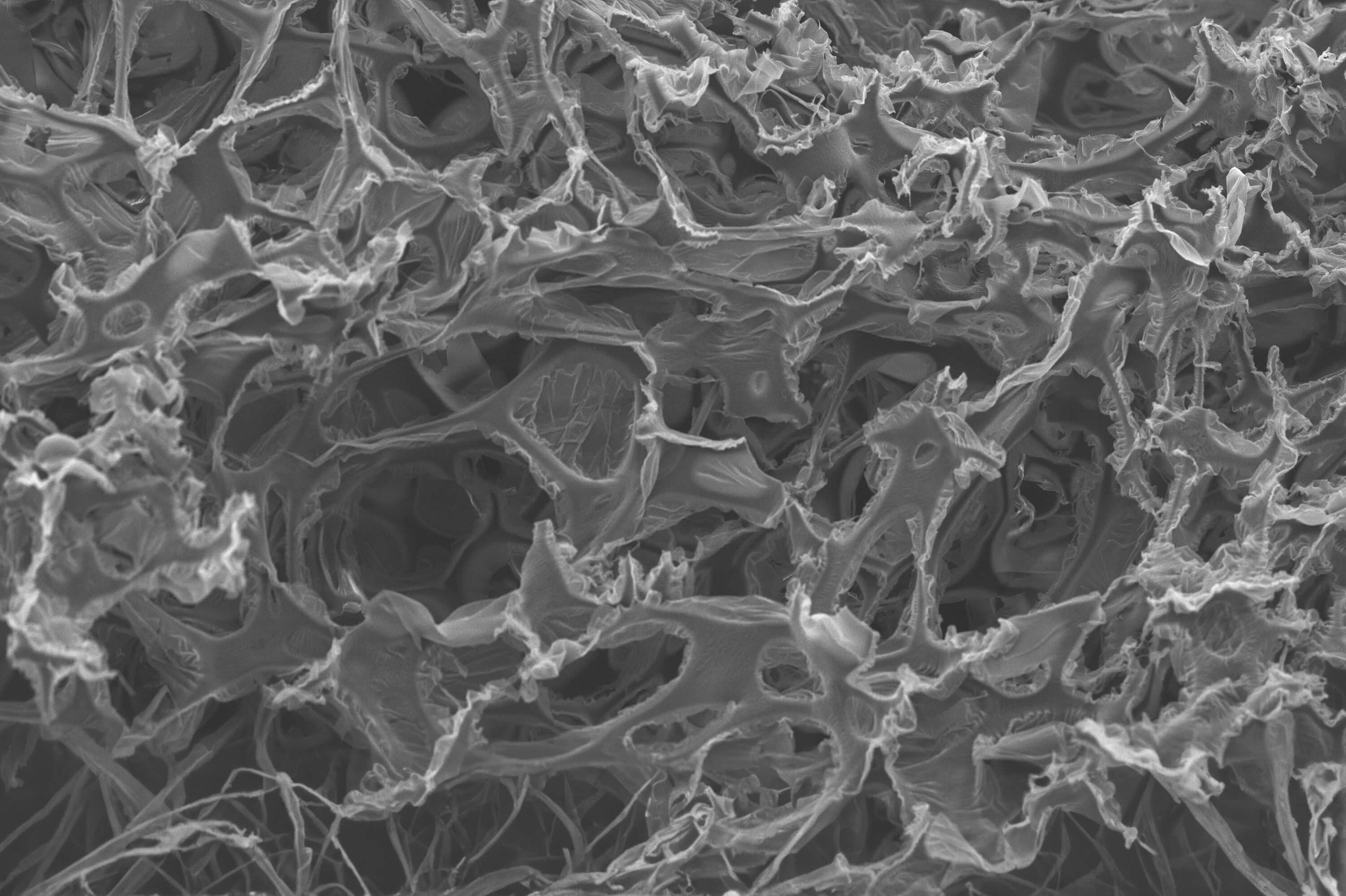
β-fosfato tricálcico reabsorbible de fase pura
Sustituto óseo sintético de última generación, diseñado para ofrecer una regeneración ósea confiable y reproducible en una amplia variedad de indicaciones clínicas. Gracias a su innovadora estructura multi porosa, con micro, meso y macroporos interconectados, y una porosidad total del 65%, este material facilita la vascularización, la integración celular y la formación de nuevo hueso.
Sus gránulos poligonales e irregulares mejoran el anclaje mecánico en el defecto, evitando micromovimientos que podrían interferir con la cicatrización. Clínicamente comprobado como equivalente al hueso autógeno, CERASORB® M permite tratamientos seguros, eficientes y con resultados estables en el tiempo.
Propiedades destacadas de CERASORB® M
Multiporosidad activa
Su red interconectada de micro (5 μm), meso y macroporos (hasta 500 μm) favorece la migración celular y la vascularización, acelerando la regeneración ósea.
Gránulos de forma irregular
La geometría poligonal mejora el entrelazado mecánico en el defecto, reduciendo el riesgo de micromovimientos y favoreciendo una integración estable.
100% sintético y seguro
Libre de componentes orgánicos o de origen animal/humano, elimina riesgos de transmisión de enfermedades o reacciones inmunológicas.
Reabsorción completa
El material es totalmente reabsorbible y se reemplaza por hueso natural, sin dejar residuos.
Resultados clínicos predecibles
Comprobado en estudios que ofrece resultados equivalentes al hueso autógeno, con mayor control y menor morbilidad.
Versátil y eficaz
Ideal para elevaciones de seno, preservación alveolar, defectos periimplantarios y procedimientos de aumento óseo horizontal o vertical.





CERASORB® Bioactive
Matriz reabsorbible de β-fosfato tricálcico de fase pura + silicato al 4%
Matriz cerámica sintética de β-TCP de fase pura reforzada con un 4% de silicato, diseñada para rellenar, puentear y reconstruir defectos óseos en odontología. Su estructura porosa e interconectada (75 % de porosidad) proporciona una amplia superficie que favorece la remodelación natural de tejidos y estructuras celulares en el hueso receptor.
Totalmente reabsorbible en 4–6 meses, este material combina la seguridad de un biomaterial no orgánico con la mayor bioactividad que aporta el silicato, ofreciendo una solución fiable y predecible para aumentos de cresta y manejo de defectos complejos.
Propiedades y ventajas clave de CERASORB® Bioactive
Fórmula β-TCP reforzada con silicato
Mejora la bioactividad del injerto, acelerando la formación de hueso nuevo y optimizando la remodelación ósea.
Reabsorción y remodelación en 4–6 meses
Su dinamismo biológico permite que el material sea sustituido completamente por hueso nativo en un período clínicamente predecible.
Alta porosidad interconectada (75%)
Proporciona un entorno óptimo para la vascularización y la colonización celular, asegurando una integración sólida y duradera.
Gránulos irregulares para estabilidad mecánica
Su geometría mejora el encaje en el defecto y minimiza los micromovimientos que retrasan la cicatrización.
100% sintético y biocompatible
Libre de componentes de origen animal o humano, elimina riesgos de contaminación y reacciones inmunológicas.
Versatilidad clínica
Indicado en elevación de seno, conservación de crestas y alvéolos, defectos periodontales, aumentos horizontal/vertical, preparación del lecho implantario y reconstrucción de defectos quísticos.
CERASORB® Foam
β-fosfato tricálcico reabsorbible de fase pura + matriz de colágeno
Sustituto óseo compuesto de colágeno porcino y gránulos de β-TCP de fase pura de distintos tamaños y densidades, diseñados para proporcionar un soporte volumétrico inmediato y duradero.
Su estructura de espuma altamente porosa emula la arquitectura del hueso humano, mientras que la matriz fibrosa de colágeno fija y estabiliza los gránulos, asegurando que, al degradarse el colágeno, se mantenga un volumen óptimo para la regeneración ósea.
Este equilibrio entre remodelación rápida y sostén prolongado convierte a CERASORB® Foam en la elección ideal para intervenciones que requieren preservación de contorno y soporte tisular.
Características principales de CERASORB® Foam
Combinación sinérgica de materiales
Colágeno porcino y β-TCP integrados en una matriz única, que une la rápida degradación del colágeno con la estabilidad ósea del fosfato tricálcico.
Estructura porosa de célula abierta
Poros interconectados que facilitan la vascularización y el ingreso celular, replicando la morfología del hueso nativo.
Estabilidad volumétrica prolongada
Tras la reabsorción del colágeno, la red de β-TCP mantiene el contorno y el soporte, evitando colapsos y garantizando un perfil estético estable.
Hidratación y adaptación rápida
Se hidrata en segundos y adquiere la forma exacta del defecto, simplificando la manipulación y el ajuste intraoperatorio.
Radiopaco para trazabilidad
Permite un seguimiento preciso mediante radiografías y tomografías, asegurando el control postoperatorio del sitio regenerado.
Manejo versátil en múltiples indicaciones
Recomendado para conservación alveolar, elevación de seno, preparación de lecho implantario, defectos óseos y periodontales pequeños, reconstrucción de cresta y defectos quísticos.








OSBONE®
Sustituto óseo esponjoso sintético
Sustituto óseo no orgánico y esponjoso, diseñado para rellenar defectos óseos y regenerar crestas alveolares atróficas. Su estructura de célula abierta con un 80% de porosidad actúa como un andamiaje ideal para el crecimiento de hueso nuevo, facilitando la vascularización y la colonización celular, promoviendo una regeneración ósea activa.
La osteointegración inicia de forma inmediata y se completa en un plazo de 3 a 6 meses. Al ser totalmente inorgánico, ofrece una alternativa segura, estable y predecible frente a los materiales de origen animal, permitiendo una reconstrucción ósea eficaz y duradera.
Características principales de OSBONE®
Material seguro y 100% inorgánico
Libre de tejidos biológicos, elimina riesgos inmunológicos y de transmisión de enfermedades.
Estabilidad volumétrica superior
Mantiene su forma y volumen a lo largo del proceso de cicatrización, garantizando resultados consistentes.
Inicio inmediato de osteointegración
Fomenta la fijación rápida de células óseas, generando un entorno óptimo para el reemplazo por hueso natural.
Resultados comparables o superiores a materiales biológicos
Estudios preclínicos demuestran mejor adhesión celular frente a injertos de origen animal.
Amplio rango de indicaciones
Ideal para elevación de seno, conservación alveolar, defectos periimplantarios, y aumentos óseos horizontales y verticales.
OSGIDE®
Membrana de barrera dental para una regeneración guiada eficaz
Membrana de barrera diseñada para facilitar la manipulación clínica y favorecer una regeneración tisular eficaz. Su estructura única proporciona un entorno ideal para la cicatrización, permitiendo una comunicación tisular selectiva que estimula la formación de nuevo tejido óseo en procedimientos dentales.
Además, actúa como una barrera confiable que previene la invasión de tejidos blandos, favoreciendo la osteogénesis y optimizando los resultados en la regeneración tisular guiada.
Características principales
Manipulación excepcional
Fácil de estirar y suturar, adaptándose perfectamente al sitio quirúrgico.
Fomenta la angiogénesis
Favorece la formación de nuevos vasos sanguíneos para una regeneración más rápida y saludable.
Hidratación rápida
Se hidrata por completo en segundos, agilizando la preparación y el tiempo quirúrgico.
Ideal para defectos periodontales y conservación alveolar
Optimiza la recuperación en diversas aplicaciones clínicas.
Protección durante elevación sinusal
Protege la membrana de Schneider, facilitando procedimientos de aumento de seno con seguridad.








Stypro®
Esponja de gelatina reabsorbible y hemostática
Esponja tópica de gelatina porcina, absorbible y diseñada para acelerar la formación de coágulos, potenciando la agregación plaquetaria. Su estructura porosa facilita la interacción con componentes sanguíneos y secreciones de la herida, proporcionando un soporte seguro y eficaz para el control de la hemorragia, la reparación tisular y la cicatrización natural.
Indicada para intervenciones en cirugía dentoalveolar y extracciones dentales, incluso en pacientes con riesgo de hemorragias, esta solución es ideal para la regeneración de tejidos mucosos. También se utiliza en la extirpación de quistes mandibulares, la resección quirúrgica de tumores orales y leucoplasias, así como en el tratamiento quirúrgico de abscesos periapicales y dentales. Su aplicación se extiende además a procedimientos en cirugía maxilofacial.
Características principales
Ti-SYSTEM
Sistema de fijación con chinchetas no reabsorbibles
Ti-SYSTEM es un sistema de fijación con pines de titanio no reabsorbibles, diseñado para ofrecer una solución práctica, eficiente y segura en procedimientos de aumento óseo. Permite una colocación rápida y sencilla de láminas y membranas, asegurando una fijación firme y estable durante todo el proceso de regeneración.
Facilita una extracción igual de simple y segura al finalizar el tratamiento. El sistema incluye una caja estéril de fácil uso que permite su almacenamiento y esterilización, optimizando así su manejo en el entorno quirúrgico.
Características principales



Soluciones avanzadas en regeneración
Con las soluciones de biomateriales dentales de Curasan, los profesionales del sector confían en uno de los equipos de investigación y desarrollo más destacados de la industria.